產品
銅管端子
Model : SC
電子連線器,空中接頭都歸屬於冷壓端子。是用於實現電氣連線的一種配件產品。
-壓接容易
-採用優質紅銅精製,確保最大的導電效能
-表面鍍錫防止氧化
-符合DIN46259規範
-特殊設計銅管,可提供最大的耐振及抗拉強度
-銅管長度設計提供簡易及精確的壓接
材質 : 銅
顏色 : 本色
庫存單位 SC 分類 Copper Lugs, Wire Connection
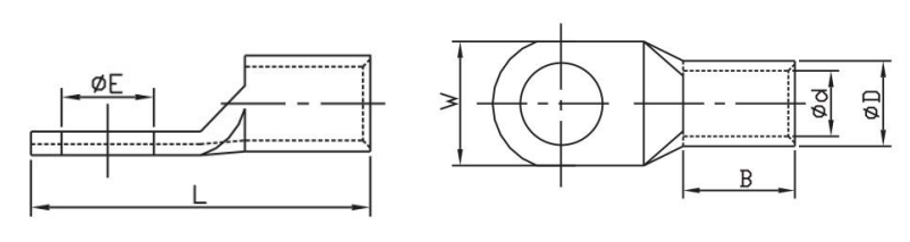
產品外觀圖
產品認證


規格表
| Part.No | Dimension | |||||
| ΦE mm | ΦD mm | Φd mm | W mm | B mm | L mm | |
| SC6-4 | 4.2 | 5.1 | 3.8 | 7.9 | 9.9 | 23.9 |
| SC6-5 | 5.2 | 5.1 | 3.8 | 7.9 | 9.3 | 24.1 |
| SC6-6 | 6.5 | 5.0 | 3.8 | 8.3 | 9.2 | 23.9 |
| SC10-6 | 6.6 | 5.8 | 4.5 | 8.8 | 9.0 | 24.8 |
| SC10-8 | 8.3 | 5.9 | 4.4 | 12.4 | 9.1 | 26.9 |
| SC16-6 | 6.5 | 6.6 | 5.4 | 10.5 | 12.2 | 30.3 |
| SC16-8 | 8.4 | 6.6 | 5.4 | 10.7 | 12.3 | 29.9 |
| SC25-6 | 6.6 | 8.5 | 6.8 | 13.0 | 12.0 | 32.9 |
| SC25-8 | 8.4 | 8.3 | 6.8 | 13.0 | 12.1 | 33.1 |
| SC35-6 | 6.5 | 10.2 | 8.3 | 15.9 | 14.1 | 37.5 |
| SC35-10 | 10.6 | 10.0 | 8.2 | 15.2 | 14.2 | 38.9 |
| SC50-8 | 8.5 | 11.9 | 9.5 | 17.4 | 16.0 | 44.9 |
| SC50-12 | 13.0 | 11.6 | 9.5 | 17.1 | 16.2 | 44.7 |
| SC70-8 | 8.5 | 14.1 | 11.3 | 20.5 | 20.1 | 52.2 |
| SC70-10 | 10.5 | 14.0 | 11.2 | 20.4 | 20.3 | 51.8 |
| SC70-12 | 13.0 | 14.1 | 11.3 | 20.5 | 20.2 | 51.8 |
| SC95-8 | 8.5 | 16.7 | 13.6 | 24.5 | 23.2 | 57.9 |
| SC95-10 | 10.6 | 16.7 | 13.5 | 24.5 | 23.2 | 57.9 |
| SC95-12 | 13.1 | 16.4 | 13.6 | 24.1 | 23.1 | 57.9 |
| SC120-10 | 10.5 | 18.6 | 15.1 | 27.1 | 22.2 | 62.8 |
| SC120-14 | 15.0 | 18.6 | 15.1 | 27.2 | 22.2 | 62.9 |
| SC120-16 | 17.0 | 18.2 | 15.0 | 26.8 | 22.1 | 62.9 |
| SC150-10 | 10.5 | 20.4 | 16.5 | 29.8 | 26.5 | 69.9 |
| SC150-14 | 15.0 | 21.3 | 16.6 | 30.8 | 25.9 | 68.5 |
| SC150-16 | 16.9 | 21.3 | 16.5 | 30.8 | 25.6 | 68.9 |
| SC185-12 | 13.0 | 22.9 | 18.5 | 33.2 | 31.8 | 74.9 |
| SC185-14 | 15.0 | 22.7 | 18.5 | 33.1 | 31.9 | 74.6 |
| SC185-16 | 17.0 | 23.6 | 18.5 | 34.0 | 32.1 | 77.7 |
| SC240-14 | 15.0 | 25.5 | 20.9 | 37.6 | 38.2 | 90.0 |
| SC150-16 | 17.0 | 26.5 | 21.6 | 38.6 | 37.8 | 91.9 |
| SC185-12 | 19.1 | 25.1 | 21.1 | 37.1 | 38.1 | 89.7 |
相關產品
相關商品
- Spade Crimp Terminals
PVC Y形絕緣端子
- Bullet connectors
PVC絕緣子彈型母插端子
- Pin CrimpTerminals
PVC針型絕緣端子
- Ring Crimp Terminals
圓形裸端
- Twist-On Wire Connectors
高溫彈簧螺式接頭






